Огнепреградители детонационностойкие коммуникационные ОПКД1 ОКПД2

Огнепреградители детонационностойкие коммуникационные типа ОПКД1 предназначены для установки на газо- и нефтепроводах и технологическом оборудовании, где существует опасность детонационного горения газо-паро-воздушных смесей.

Огнепреградители выпускаются в климатическом исполнении Т, У и УХЛ категории размещения 1 по ГОСТ 15150-69.

Огнепреградители детонационностойкие коммуникационные ОПКД1 ОКПД2

Огнепреградители детонационностойкие коммуникационные типа ОПКД1 предназначены для установки на газо- и нефтепроводах и технологическом оборудовании, где существует опасность детонационного горения газо-паро-воздушных смесей.

Огнепреградители выпускаются в климатическом исполнении Т, У и УХЛ категории размещения 1 по ГОСТ 15150-69.

Технические характеристики

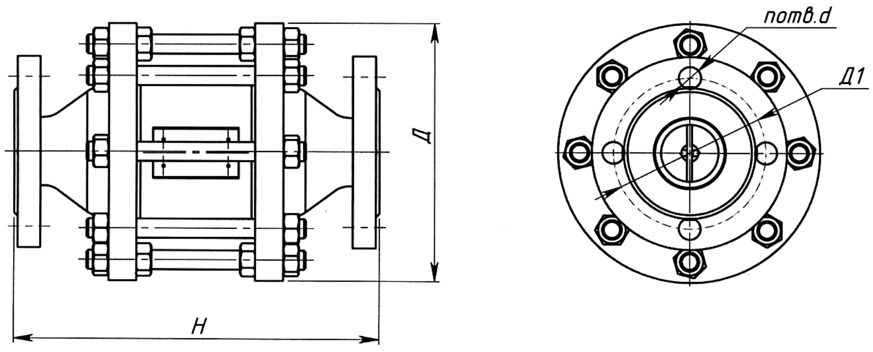
Габаритный чертеж