Огнепреградители со съемной кассетой ОПН-80 ОКПД2

Огнепреградители со съемной кассетой Ду80 предназначены для предотвращения проникновения пламени внутрь резервуара с нефтепродуктами. Огнепреградители применяются для оснащения нефтебаз, хранилищ, АЗС, в том числе и в системе «резервуар-автоцистерна», и имеют повышенную огнестойкость. Огнепреградители успешно эксплуатируются в условиях Сибири и Крайнего Севера.

Огнепреградители выпускаются в климатическом исполнении Т, У и УХЛ категории размещения 1 по ГОСТ 15150-69. Корпус и крышки огнепреградителя изготавливаются из алюминиевого сплава (А) или из углеродистой стали (С).

Технические характеристики

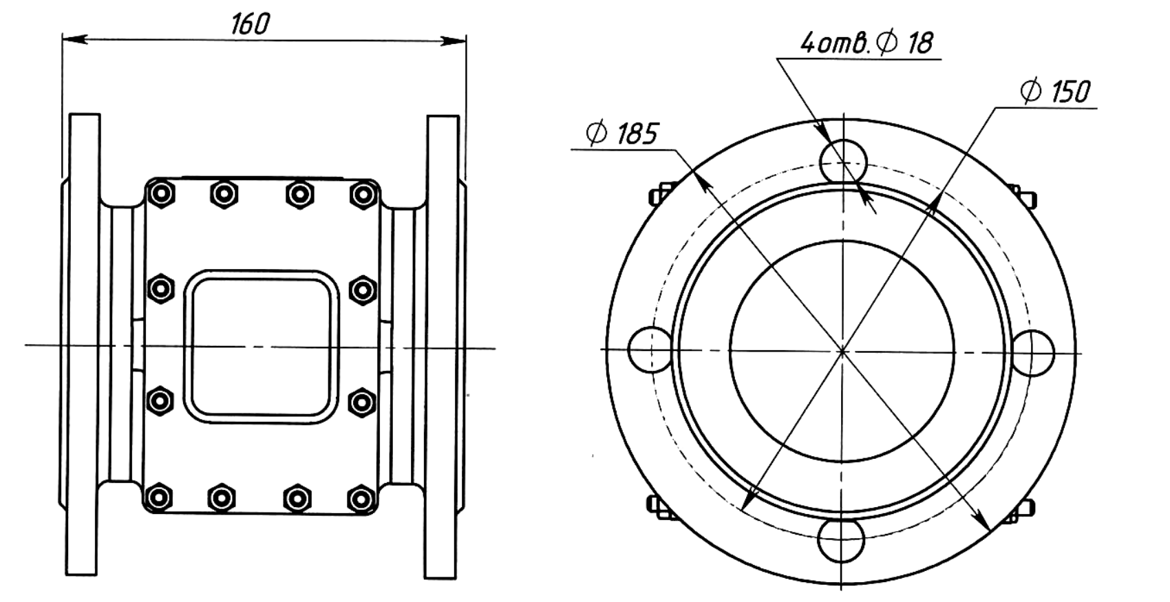
Габаритный чертеж